產品型號:D671X
適用壓力:PN1.0~1 .6MPa
適用規格:DN50~1200
適用溫度:-10℃~150℃
閥體材質:鑄鐵、球墨鑄鐵、碳鋼、不銹鋼、鋁青銅
產品結構特征
1、減小轉動力矩,支撐閥桿,并使其與閥體有效分離,減小閥桿的磨損。
2、經過拋光處理,與閥座精密配合。
3、實現氣密性試驗零泄漏要求,啟閉力矩小,延長閥座使用壽命。
4、閥桿密封不易變形,從而避免了通常的閥桿泄漏現象。
5、精度高,強度大,適用于手柄及其它控制裝置的安裝。
6、牢固連接閥桿與閥板,具有防振脫特點,且易于更換。
7、整體性好,便于控制閥板啟閉。
8、具有不脫落、抗拉、防泄漏、更換方便等特點。
9、作為管路中調節或截斷介質的設備。
10、適用于手柄控制裝置(DN50~300),蝸輪蝸桿、電動及氣動控制裝置。
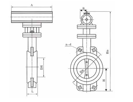
主要外形連接尺寸
| 公稱通徑 |
結構長度 (標準值) |
外形尺寸(參考值) | 連接尺寸(標準值) | |||||||||
| 0.6MPa | 1.0 MPa | 1.6 MPa | ||||||||||
| 毫米 | 英寸 | L | H | Ho | A | B | D0 | n-d | D0 | n-d | D0 | n-d |
| 50 | 2 | 43 | 63 | 315 | 180 | 65 | 110 | 4-14 | 125 | 4-18 | 125 | 4-18 |
| 65 | 2-1/2 | 46 | 70 | 330 | 180 | 65 | 130 | 4-14 | 146 | 4-18 | 145 | 4-18 |
| 80 | 3 | 46 | 83 | 390 | 245 | 72 | 150 | 4-18 | 160 | 8-18 | 160 | 8-18 |
| 100 | 4 | 52 | 105 | 431 | 240 | 72 | 170 | 4-18 | 180 | 8-18 | 180 | 8-18 |
| 125 | 5 | 56 | 115 | 455 | 240 | 72 | 200 | 8-18 | 210 | 8-18 | 210 | 8-18 |
| 150 | 6 | 56 | 137 | 626 | 350 | 93 | 225 | 8-18 | 240 | 8-22 | 240 | 8-22 |
| 200 | 8 | 60 | 164 | 720 | 350 | 93 | 280 | 8-18 | 295 | 8-22 | 295 | 12-22 |
| 250 | 10 | 68 | 206 | 800 | 550 | 350 | 335 | 12-18 | 350 | 12-22 | 355 | 12-26 |
| 300 | 12 | 78 | 230 | 860 | 600 | 350 | 395 | 12-22 | 400 | 12-22 | 410 | 12-26 |
| 350 | 14 | 78 | 248 | 883 | 600 | 350 | 445 | 12-22 | 460 | 16-22 | 470 | 16-26 |
| 400 | 16 | 102 | 289 | 972 | 600 | 350 | 495 | 16-22 | 515 | 16-26 | 525 | 16-30 |
| 450 | 18 | 114 | 320 | 1043 | 750 | 380 | 550 | 16-22 | 565 | 20-26 | 585 | 20-30 |
| 500 | 20 | 127 | 343 | 1098 | 750 | 380 | 600 | 20-22 | 620 | 20-26 | 650 | 20-33 |
| 600 | 24 | 154 | 413 | 1236 | 750 | 380 | 705 | 20-26 | 725 | 20-30 | 770 | 20-36 |
| 700 | 28 | 165 | 478 | 1431 | 750 | 380 | 810 | 24-26 | 840 | 24-30 | 840 | 24-36 |
| 800 | 32 | 190 | 525 | 1488 | 750 | 380 | 920 | 24-30 | 950 | 24-33 | 950 | 24-39 |
| 900 | 36 | 203 | 620 | 1615 | 1250 | 380 | 1020 | 24-30 | 1050 | 28-33 | 1050 | 28-39 |
| 1000 | 40 | 216 | 725 | 1765 | 1500 | 580 | 1120 | 28-30 | 1160 | 28-36 | 1170 | 28-42 |
| 1200 | 48 | 254 | 780 | 1976 | 1500 | 580 | 1340 | 32-33 | 1380 | 32-39 | 1390 | 32-48 |